Tag:telecom=distribution_point
| Description |
|---|
| Equipment, often small boxes, allowing to directly connect up to 15 individuals or households to a single upstream local loop cable towards telecom exchanges |
| Group: telecom |
| Used on these elements |
| Useful combination |
| Status: approved |
| Tools for this tag |
|
Distribution points (722-12-19) are piece of equipment, often small boxes, allowing to directly connect (without the help of a patch panel) up to 15 individuals and households to a single telecom local loop upstream cable (independently for copper pairs or optical fibre). They are way smaller than an actual telecom=connection_point and often installed in the street, basements or on top of poles. Distribution points are the last connection point on public network toward subscribers.
As possibly visible, permanent and ubiquitous features, it may be interesting to add them in OSM with a reviewed tagging.
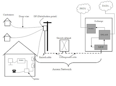
See this telecom access network chart to identify where a distribution point is located on ground and make the difference with other local loops components.
There is no hierarchy of distribution points. They merely always are located next to subscribers. For more important boxes/cabinets involving patch panels and higher capacity of subscribers lines see telecom=connection_point.
Distribution points can eventually host multiplexers like British DACS to connect several subscribers to a single pair.
These points are distinguishable from other equipment with a telephone or ISO 7010-W004 sign (laser hazard
) symbol and always directly connect houses, flats or offices. They differ from electric equipment marked with ISO 7010-W012 sign (electric hazard
).
A distribution point differs from a connection point in its architecture: distribution only consist in direct connections while connection points allow patching between two independent panels. telecom=connection_point for such boxes.
Tagging
| Key | Value | Description | Use |
|---|---|---|---|
telecom |
distribution_point |
The distribution point should be mapped with a |
mandatory |
telecom:medium |
copper, fibre or coaxial |
The type of local loop it is used to. | recommended |
ref |
<reference> | Reference of the point as seen on ground if applicable. | recommended |
operator |
<operator> | The name of the company that operates the distribution point. | recommended |
owner |
<owner> | The name of the organization which has the ownership of the equipment (State or local administritive organisation for example) | optional |
support |
pedestal, pole,... |
Support holding the distribution point box. They are usually installed on dedicated concrete pedestal, poles or walls. | optional |
capacity |
<number> | Amount of connections the point can reach. Usually 1, 7, 14 or 20 | optional |
location |
underground, overground or overhead |
Location of the distribution point. useful to indicate a ladder or a pod is required to get access to it | optional |
manufacturer |
<company> | Name of the company that provide the box of the distribution point | optional |
There is no reviewed way to tag telecom poles while some of those boxes can be installed on poles actually.
You can still use support=pole if you want to state that the box is installed on a pole.
Examples
| Photo | Location | Tagging | Note |
|---|---|---|---|
| France |
|
A very common French telecom distribution point in a white box. Such points can connect up to 7 customers to local loop copper distribution cables | |
| France |
|
The same box as the copper one upside, intended for newer fibre networks to the house (FTTH). Distinction between copper and fibre comes from the ISO7010-W004 (laser beam) symbol and nature of cables coming inside. It's written on them that it's G657 fibre and proper ref on green tags confirms it. | |
| France |
|
A copper distribution point on the top of a pole | |
| Illustration | Spain |
| |
| Illustration | Spain |
|
A distribution box on a wall for new fibre service connection adjacent households |
